Musitronics "MutronIII" Clone
All Mods Copyright (c) JC Maillet 1996, 1999
 |
original MutronIII courtesy Rob Post
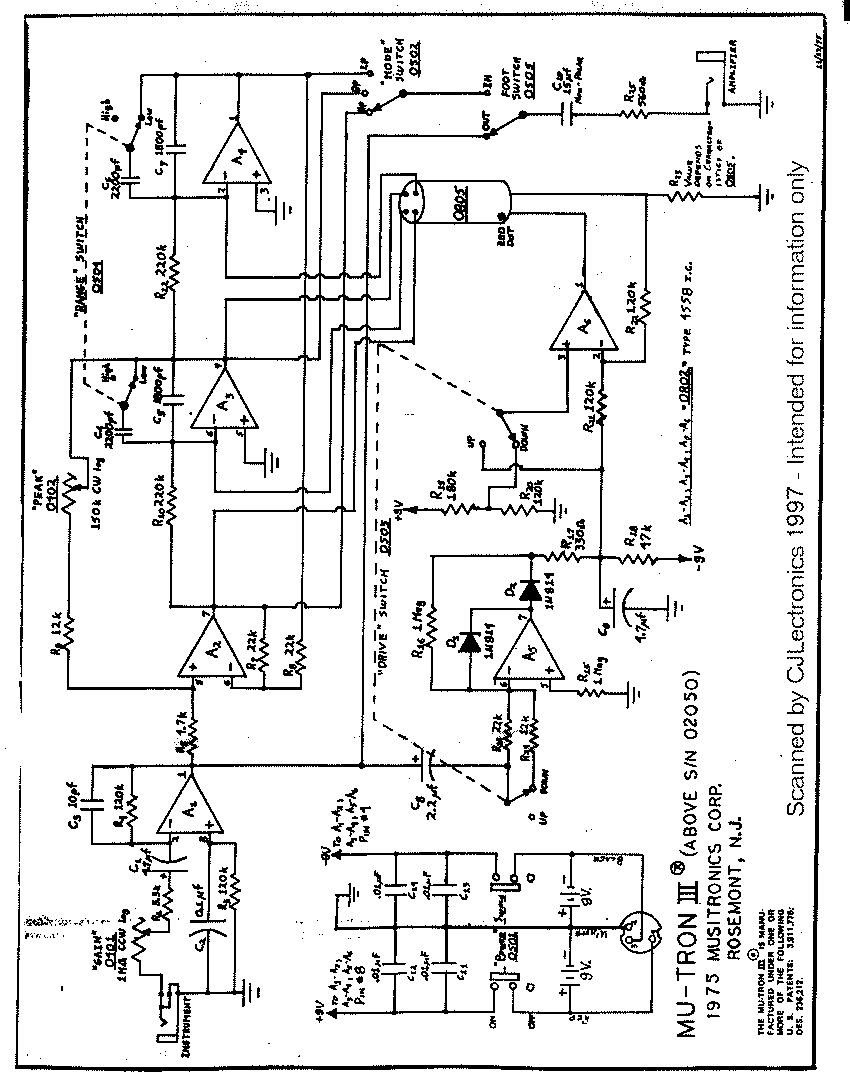
The MutronIII Envelope Filter circuit was developed by Mike Beigel with the help of Steely Dan guitarist Elliot Randall ... The MutronIII circuit is based around a State-Variable filter and a simple but effective envelope detector circuit controlling it through optically controlled resistors - the envelope detector produces a nice flutter in the filter when the sensitivity switch is engaged to high position ... Read all about Elliot and Mike talking about Electronic Controlled Filters ...
My First MutronIII Clone (1996)
Comissioned by Vancouver sessionman Rob Post
I built my first mutronIII clone in 1996 for local touring/studio player Rob Post who wanted a close replica sounding clone of his vintage pedal, but with rackmount flexibility ... I cloned the PCB board, then used low-noise NE5532 op-amps and a near-equivalent photodiode coupling arrangement on the driver op-amp - actually, a pair of Silonex NSL-32 phtocells acting as one dual-cell ... I'm also using lo-tech 1/2watt carbon comp resistors and Philips signal caps - I was thus able to produce a tonally and functionally identical clone to the original with the added bonus of a less noisy signal-path ...
 |
Basic controls of Rob's rackmount unit are all on the front side, notice use of a relay for remote bypass switching - there's a switch at the back which turns the relay into a complete bypass affair or with the preamp left in as in the original unit ... all jacks are at the back also, including wall-wart power jack and LED power indicator ...
 |
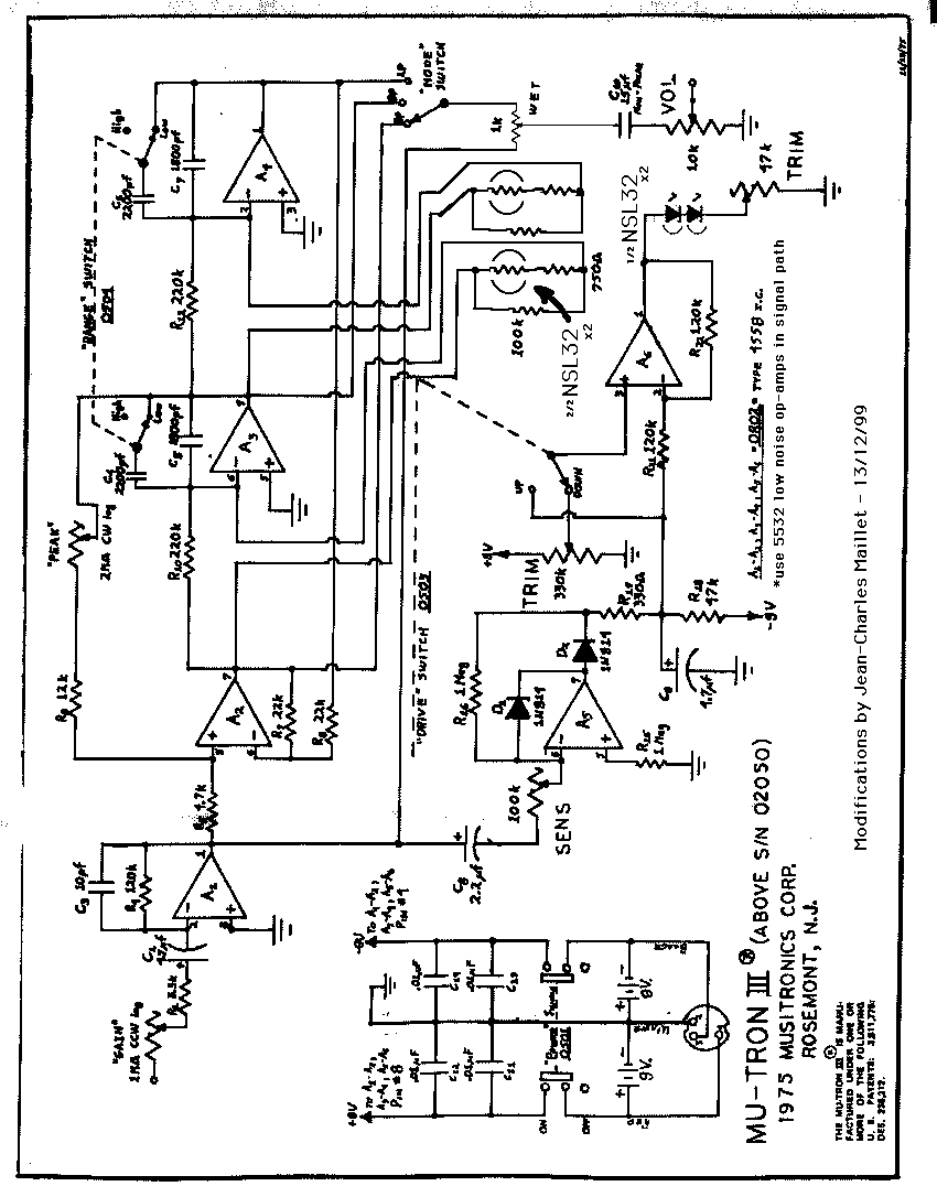
MutronIII++ built using Silonex NSL-32 PhotoCells
** Clone Notes ('96)**
Audio path of this Mutron-III Clone features NE5532 low-noise op-amps and master-bypass switching, all driven by a sturdy 12v relay providing 100ft+ of noiseless footswitch activation ... an LED on both footswitch box and front panel are included for readout ... unit is powered by an AC walwart whose jack is mounted in the far back corner of the unit next to another LED provided to show powered-on state from the back ... the filter stages are implemented with the diodes of two NSL-32 photocell packages connected in series, that's the main difference between the heart of the original and this clone ... info on NSL-32's found at www.silonex.com
Mutron-III Operating Manuals (96)
 |
After consecutively building three units on short pieces of strip-board it was interesting to hear the subtle difference in response between the stock MutronIII and all three clones ... in this clone ckt I'm still using two photocells with diodes connected in series ... variations at this level slightly affects the "whisper" quality of the filter when the envelope detector is relaxing back to steady state conditions, difference is very slight though ... if you have several optocoupler cells to choose from you may want to find a matched pair ... you'll need to set up a little test circuit for this - I use alligator clips, a 9volt battery and 10k pot to set, say, a 2mA current through individual photo-diode while measuring their corresponding photo-resistance - I pick two cells that have near identical resistance value at that bias level ...
Mutron-III++ Customizations (12/99):
 |
(1) Replacing the low/hi sensitivity switch by an external Sensitivity control pot (100k A)
(2) Replacing the 120k/180k divider bias circuit (connected to the + input of the diode driver op-amp) by a 330k trim-pot ... by sweeping this unloaded ref voltage you can very precisely set the "knee threshold/offset" of the "down" mode of the MutronIII so that controls don't need to be recallibrated when switching to "up" mode and vice versa ...
(2a) ... because the effect traverses the mid-band region in a somewhat similar way (versus attack) in both modes, you could conceivably install a footswitch for up/down modes selection ...
(3) Inclusion of a typical 10k volume pot before the output jack, standard on any guitar pedal
(4) Addition of a "mix" for dry/wet control (foot activated in this case), a 1k-Ohm pot with each end connected to (i) the preamp output, and (ii) the sweeper of the three position switch ... the sweeper of the mix control goes to a 22uF electrolityc cap which feeds the 10k output volume pot mentioned in (3)
(5) Change of 4.7uF cap feeding the envelope detector has been reduced to 0.1uF to make the envelope detector less sensitive to bass notes - this evens the sensitivity character of the envelope detector over the scale of the guitar ...
Todd's Mutron-III++ Pedal (1999):
 |
High performance custom MutronIII++ clone built for Vancouver guitar great Todd Taylor ... fitted with Bakelyte knobs from the 1920's for a classic look ...
 |
viva Analog /// jc CHEZ lynx.net